bonjour
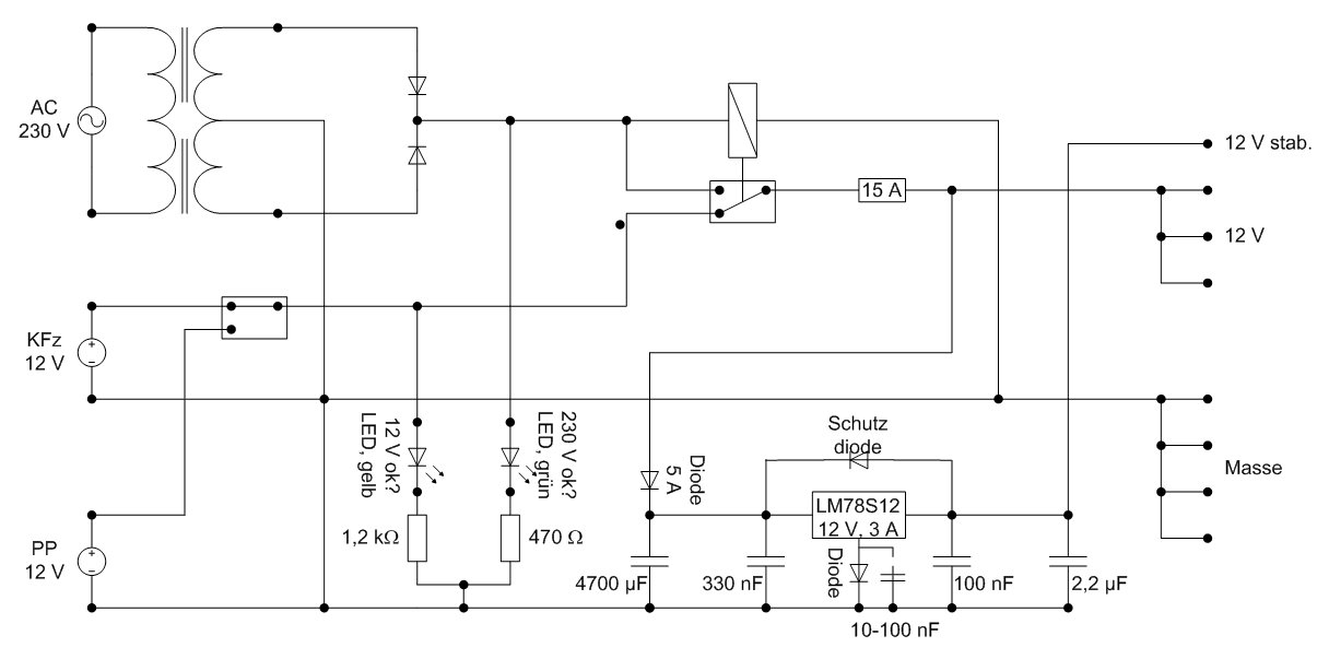
Sur ce genre de schema si le contact du relais est collé
il n'y aura du 12 volts uniquement si la cara est raccordée au 220 volts
Pas de 12V dans la caravane
Discussion liée à l'installation électrique des caravanes et aux appareils électriques qui l'équipent (sauf les réfrigérateurs et les climatiseurs).
Modérateurs : Modérateurs, Adhérent et modérateur
Re: Pas de 12V dans la caravane
Message par Jerem71 » 26 mai 2023 21:36
J'avoue tu ma perdu avec ton schéma lol!
ou ce trouve le relais en question ?
j'ai un de mes copain qui a une prise 13 broches sur sa voiture.
je vais essayer et je vous ferais un retour.
bonne soirée
ou ce trouve le relais en question ?
j'ai un de mes copain qui a une prise 13 broches sur sa voiture.
je vais essayer et je vous ferais un retour.
bonne soirée
Aller
- Le site Lacaravane.com et ses visiteurs
- ↳ Avis aux membres : présentons-nous ici...
- ↳ Le site La Caravane
- ↳ Règlement et mode d'emploi du forum
- ↳ Les rencontres et salons
- ↳ Association Des Rencontres Lacaravane (ARLCPA)
- ↳ Le Bar des Campeurs
- ↳ Ma caravane adaptée à ma santé : trucs et astuces
- ↳ Les animaux des caravaniers
- ↳ Sondages
- ↳ Nouvelles technologies
- ↳ Accès Internet
- ↳ Appareil photo
- ↳ GPS
- ↳ Informatique
- ↳ Musique
- ↳ Téléphone
- ↳ Télévision
- ↳ Ancien Chat (en lecture seule)
- Technique et Pratique
- ↳ Les propriétaires par marque de caravane
- ↳ Choisir sa caravane
- ↳ Posts à lire avant d'acheter une caravane
- ↳ Caravane classique à 1 essieu
- ↳ Caravane classique à 2 ou 3 essieux
- ↳ Caravane fifth wheel
- ↳ Caravane foraine
- ↳ Caravane Clipcar ou Randocar
- ↳ Caravane teardrop
- ↳ Caravane surbaissée
- ↳ Caravane pliante rigide
- ↳ Caravane pliante en toile
- ↳ Caravanes anciennes
- ↳ Acheter sa caravane à l'étranger
- ↳ Discussions multi types de caravane
- ↳ Fabriquer sa caravane
- ↳ Choisir sa voiture
- ↳ Utiliser sa caravane
- ↳ Antivols
- ↳ Assurances
- ↳ Auvents
- ↳ Caravaneige
- ↳ Carrosserie (plancher, parois, toit)
- ↳ Climatiseurs
- ↳ Décoration (intérieure et extérieure)
- ↳ Déplace caravane
- ↳ Electricité
- ↳ Eau
- ↳ Gaz
- ↳ Hivernage
- ↳ Ouvertures (baies, lanterneaux, portes)
- ↳ Porte vélos
- ↳ Réfrigérateurs
- ↳ Rénovation complète de caravanes
- ↳ Rétroviseurs et caméras de recul
- ↳ Roues
- ↳ Stabilisateurs / Anti-lacets
- Reportages et photos
- ↳ Itinéraires
- ↳ France
- ↳ Autres pays
- Les campings dans les autres pays
- ↳ Campings à l'étranger
- ↳ Allemagne
- ↳ Autriche
- ↳ Benelux
- ↳ Croatie
- ↳ Espagne
- ↳ Italie
- ↳ Maroc
- ↳ Portugal
- ↳ Royaume-Uni
- ↳ Suisse
- ↳ Autres pays
- ↳ Discussions et guides multi-pays
- Les campings en France
- ↳ Campings et tourisme en France
- ↳ Zone Nord Ouest
- ↳ 14 Calvados
- ↳ 22 Côtes d'Armor
- ↳ 27 Eure
- ↳ 29 Finistère
- ↳ 35 Ille et Vilaine
- ↳ 44 Loire Atlantique
- ↳ 49 Maine et Loire
- ↳ 50 Manche
- ↳ 53 Mayenne
- ↳ 56 Morbihan
- ↳ 61 Orne
- ↳ 72 Sarthe
- ↳ 76 Seine Maritime
- ↳ 85 Vendée
- ↳ Zone Nord Est
- ↳ 02 Aisne
- ↳ 08 Ardennes
- ↳ 10 Aube
- ↳ 21 Côte d'or
- ↳ 25 Doubs
- ↳ 39 Jura
- ↳ 51 Marne
- ↳ 52 Haute Marne
- ↳ 54 Meurthe et Moselle
- ↳ 55 Meuse
- ↳ 57 Moselle
- ↳ 58 Nièvre
- ↳ 59 Nord
- ↳ 60 Oise
- ↳ 62 Pas de Calais
- ↳ 67 Bas Rhin
- ↳ 68 Haut Rhin
- ↳ 70 Haute Saône
- ↳ 71 Saône et Loire
- ↳ 80 Somme
- ↳ 88 Vosges
- ↳ 89 Yonne
- ↳ 90 Territoire de Belfort
- ↳ Zone IDF Centre
- ↳ 18 Cher
- ↳ 28 Eure et Loir
- ↳ 36 Indre
- ↳ 37 Indre et Loire
- ↳ 41 Loir et Cher
- ↳ 45 Loiret
- ↳ 75 Paris
- ↳ 77 Seine et Marne
- ↳ 78 Yvelines
- ↳ 91 Essonne
- ↳ 92 Hauts de Seine
- ↳ 93 Seine Saint Denis
- ↳ 94 Val de Marne
- ↳ 95 Val d Oise
- ↳ Zone Sud Ouest
- ↳ 09 Ariège
- ↳ 12 Aveyron
- ↳ 16 Charente
- ↳ 17 Charente Maritime
- ↳ 19 Corrèze
- ↳ 23 Creuse
- ↳ 24 Dordogne
- ↳ 31 Haute Garonne
- ↳ 32 Gers
- ↳ 33 Gironde
- ↳ 40 Landes
- ↳ 46 Lot
- ↳ 47 Lot et Garonne
- ↳ 64 Pyrénées Atlantiques
- ↳ 65 Hautes Pyrénées
- ↳ 79 Deux Sèvres
- ↳ 81 Tarn
- ↳ 82 Tarn et Garonne
- ↳ 86 Vienne
- ↳ 87 Haute Vienne
- ↳ Zone Sud Est
- ↳ 01 Ain
- ↳ 03 Allier
- ↳ 04 Alpes de Haute Provence
- ↳ 05 Hautes Alpes
- ↳ 06 Alpes Maritimes
- ↳ 07 Ardèche
- ↳ 11 Aude
- ↳ 13 Bouches du Rhône
- ↳ 15 Cantal
- ↳ 2A Corse du Sud
- ↳ 2B Haute Corse
- ↳ 26 Drôme
- ↳ 30 Gard
- ↳ 34 Hérault
- ↳ 38 Isère
- ↳ 42 Loire
- ↳ 43 Haute Loire
- ↳ 48 Lozère
- ↳ 63 Puy de dôme
- ↳ 66 Pyrénées Orientales
- ↳ 69 Rhône
- ↳ 73 Savoie
- ↳ 74 Haute Savoie
- ↳ 83 Var
- ↳ 84 Vaucluse
- ↳ Campings GCU