Bonjour a tous,
Me revoila ! week-end tres charge donc je ne reviens avec des nouvelles seulement maintenant...
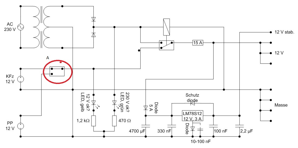
Donc samedi j'ai commence par refaire le test avant d'installer les led.
Par contre j'ai voulu y aller par étape, j'ai donc commence par allumer tous les éclairages 12v en même temps (en étant branche sur le 230v bien sur et non pas sur l'accumulateur) mais rien d'autre, donc ne pas faire fonctionner la pompe en continue (elle s'est mise une fois sous pression puis c'est tout).
J'ai touche le radiateur des diodes, celui de la diode 7812 est toujours reste froid, curieux je pensais que c'était justement lui qui allait chauffer étant donne que j'ai branche mon éclairage 12v sur la cosse extrémité droite a la place prévue pour la pompe a eau.
Par contre le radiateur de la diode 1545, il est tres vite monte en température: au bout de 8 minutes il était nettement tiède / chaud, et au bout de 15 minutes il était suffisement chaud que je ne pouvais garder mon doigt dessus ! Donc problème alors que je n'ai allume "que" la lumière....(mais ca représente tout de même 14 points lumineux

) et la par hazard, je vois un truc bizarre sur le fusible de 15A, je le touche donc et je me rends compte que son "corps" plastique est tout moue, sans aucun doute lie a la chaleur du radiateur. Le fusible, lui, n'a pas pete et fonctionne toujours correctement [photo nr.1]
J'ai donc change le fusible pour voir si le prochain allait subir les mêmes souffrances, j'ai laisse le tout refroidir et j'ai fait fonctionner uniquement la pompe pendant bien 6 minutes on continue, RAS, les 2 radiateurs de diodes sont restes froids, celui de la 1545 a peine commence a tiédir mais rien de flagrant.
J'ai change toutes mes ampoules alogenes pour ce type de led [photo nr.2], j'ai de nouveau allume tous mes éclairages 12v tous en même temps, et la... impeccable ! le radiateur est a peine tiède, je peux clairement garder le doigt dessus sans aucun problème, j'ai laisse les éclairages allume plusieurs heures en continuant mon bricolage, en utilisant l'eau ici et la quand besoin, zero problem !
C'est donc un grand succès !!! et je dois vous présenter un immense merci a vous pour votre aide extraordinaire !!!
Pour vous donner aussi un retour sur la qualité d'éclairage, ces led sont annoncées comme led 3w équivalence 20w, 150lumien.
Le rendu est parfait, photo nr.3 AVANT modification donc avec ampoules allogènes, et photo nr.4 après la modification donc avec ampoules led.
Il me reste juste un dernier detail maintenant, c’est le cache dont je n’ai retrouve que la partie haute, la partie basse ayant disparu dans le bordel que l’ancien propriétaire m’a vendu… j’ai cherche ici et la sur internet mais je n’ai pas trouve ca en piece détaché. Pensez-vous que ce model est trop vieux pour avoir des pièces détachées comme ceci? Ou est-ce que c’est peine perdue?
Encore merci pour votre aide si précieuse!